CALL US

+86-18106653002

REQUEST INQUIRY

High Quality Products Can Be Purchased
Home » Products » Ground Engaging Tools » Wear Parts » Wear donuts » Excavator Bucket Spare Parts DLP-1994 Wear Donuts

Product Category

Excavator Bucket Spare Parts DLP-1994 Wear Donuts

Availability:
Quantity:
facebook sharing button
twitter sharing button
line sharing button
wechat sharing button
linkedin sharing button
pinterest sharing button
whatsapp sharing button
sharethis sharing button
  • DLP-1994

  • HRC63

1. Description:
Name: Wear donuts DLP-1994
Measure: Ø100XØ70X(24+8=32)
Material: Cr white iron and mild steel
Hardness: HRC63

Easy to cut - allowing you to customize the protection to different specifications
Easy to bend - offers protection on a contoured surface.
Use chocky bars with pre-notched backing plate.
Available in 5 sizes - with either standard or pre-notched backing plate.

Applications:
Bucket wear strips.
Replaces hard facing for augers, directional drill heads, foundation drilling, raise bore drilling.
Fan blade liners.
Pug mill paddles, tip and scrapers.
Recycling industry.
Road planer skids and pick protectors.
Replaces hard facing for pump housings and impellors

2. Our products range:
Excavator Bucket Spare Parts DLP-1994 Wear Donuts



3. Popular items blow for reference:
Excavator Bucket Spare Parts DLP-1994 Wear Donuts
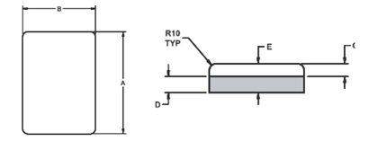
Part No. A (mm) B (mm) C (mm) D (mm) E (mm) Weight (kg)
DLP-1920 75 25 17 8 25 0.7
DLP-1921 100 50 17 8 25 1.1
DLP-1994 100 70 24 8 32 1
DLP-2196 130 80 15 8 23 1.3
DLP-4771 148 108 25 10 35 2.3
Excavator Bucket Spare Parts DLP-1994 Wear Donuts
Part No. A (mm) B (mm) C (mm) D (mm) E (mm) Weight (kg)
DLP 4 300 38 25 8 33 3
DLP 295 153 38 25 8 33 1.6
DLP 508 190 50 20 10 30 2.3
DLP 125 230 50 38 12 50 4.6
DLP 1101 150 50 40 10 50 3
DLP 528 150 75 40 10 50 4.5
DLP 619 150 75 50 10 60 5.3
Excavator Bucket Spare Parts DLP-1994 Wear Donuts
Part # A (mm) B (mm) C (mm) D (mm) E (mm) Weight kg
SB 413 200 150 20 25 45 10.5
SB 412 250 150 20 25 45 13.1
SB 414 250 250 20 25 45 22

4. Our production line:
Excavator Bucket Spare Parts DLP-1994 Wear Donuts


5.Company information

Ningbo Beneparts Machinery co., Ltd as your reliable G.E.T parts supplier, offering full range of replacement parts suitable for all kinds of earthmoving machines which apply to mining, construction, agriculture etc. Like Excavator, Bulldozer, Loader, Backhoe, Scraper, Crusher and so on. The replacement parts that we supply including casting parts like bucket teeth, adapter, lip shroud, protector, ripper shank etc. and forged parts like forged bucket teeth, cutting edge, grader blades, segment, end bit etc. and also wear-resistant parts like chocky bars, wear buttons, chromium combined wear plate etc. and matched parts like pin, washer, bolts and nuts etc..

Beneparts has a very strong sales team and firmly cooperated manufacturer with high-tech and focus on quality with more than 28 years experience.

Our advantages are four fold, our:
1.strong technical team, and we have the ability to formulate materials to meetthe specific needs of our customer's projects.
2.Perfect quality monitoring system, and full range of advanced facilities, like Component analysis machine, Impact Machine, Tensile Strength machine etc.
3. Rich experience to do OEM/ODM business, we can develop items as per drawings and samples if you have specific requirement.
4. Efficient management, we can short delivery time and we have good after sale service which keep long term business cooperation with our customers.

Our commitment to you is always providing quick, convenient, effective customer service.
Look forward to meeting you!




Previous: 
Next: 

Follow Us

Ningbo Beneparts Machinery Co., Ltd (B.P.) is a professional manufacturer specialized in the production of ground engaging tools for over 30 years.

Machines

Categories

Contact Us

sales2@beneparts.cn
+86-18106653002
+86-18106653002
No.1107-12A02 Tiantong North Road, Ningbo, China. 315100
Copyright ©️ 2023 Ningbo Beneparts Machinery Co.,Ltd. 
Leave a Message
CONTACT US